Cách tính lối đi, lối quay vòng các loại xe nâng hàng
Mua xe nâng hàng phù hợp cho hoạt động của bạn đòi hỏi bạn phải tính đến một số yếu tố duy nhất cho tình huống của bạn. Từ việc xác định công suất định mức phù hợp, bạn sẽ cần hiểu sự khác biệt giữa lốp hơi và lốp đặc, có rất nhiều điều cần xem xét. Và lối đi tối thiểu cho xe nâng ở nơi làm việc của bạn không thể bị lãng quên.
Tính chiều rộng lối đi tối thiểu cho xe nâng sẽ giúp bạn đưa ra quyết định sáng suốt về những gì xe nâng hàng cần mua. Nhưng làm thế nào để bạn biết bạn cần bao nhiêu không gian để điều hướng hiệu quả?
Dưới đây, hãy cùng TFV tìm hiểu cách tính góc vuông chiều rộng lối đi.
1. Chiều rộng lối đi xe nâng cần bao nhiêu ?
2. Bạn nên đến đâu để tìm hiểu các vấn đề về xe nâng ?
Để điều chỉnh, xác định được chiều rộng lối đi thì chúng ta cần phải biết được :
Chiều rộng lối đi xe nâng cần bao nhiêu ?
Chiều rộng lối đi xếp chồng góc phải ( Thêm chiều dài tải và không gian cơ động )
Phép đo chiều rộng xếp chồng góc phải cơ bản là khoảng không gian nhỏ nhất mà xe nâng cần để có thể quay và đi vào pallet. Nó không bao gồm chiều dài của tải được chọn hoặc bất kỳ phòng nào để giải phóng mặt bằng.
Chiều rộng lối đi xếp chồng góc phải là chiều rộng tối thiểu của lối đi thẳng, trong đó có xe nâng 4 bánh có tải trọng nhất định có thể quay đầu 90 độ. Khi chiều rộng lối đi xếp chồng góc phải là được đo mà không cần chở một loại tải trọng nhất định, đó được gọi là chiều rộng lối đi xếp chồng góc phải.
Phép đo này không được bao gồm trong các biểu đồ đặc điểm kỹ thuật cho xe nâng 3 bánh và xe nâng 4 bánh tiếp cận khi những chiếc xe tải này có một điểm ngoặt nằm giữa hai bánh trước.
Do đó loại bỏ mức độ liên quan của chiều rộng lối đi xếp chồng góc phải. Đối với xe nâng 4 bánh, xe nâng 3 bánh, giá trị này được cho là chiều rộng lối đi xếp chồng góc phải, vì vậy khi tính toán thì hãy thêm một khoảng trống và đặt nó là 1 giá trị C.
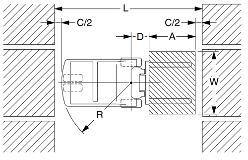
Chiều rộng lối đi xếp chồng góc phải có thể được tính bằng cách sử dụng các giá trị được đưa ra ở dưới đây:
A : Chiều dài của tải ( chiều dài của Pallet )
W : Chiều rộng của tải ( chiều dài của Pallet )
C : Khe hở ( Khe hở tiêu chuẩn là 200 mm)
D : Khoảng cách từ mặt trước của phuộc đến đường tâm của trục trước hoặc bánh xe tải
R : Bán kính quay vòng ngoài
L : Chiều rộng lối đi xếp chồng góc phải
I : Chiều rộng lối đi xếp chồng góc phải cơ bản
Y : Khoảng cách từ đường tâm của xe đến điểm chính giữa của lượt
Dưới đây là 2 công thức tính toán góc phải chiều rộng lối đi.
Công thức 1 : Công thức đơn giản chỉ sử dụng chỉ số học đơn giản.
Công thức 2 : Công thức dựa trên tiêu chuẩn công nghiệp Nhật bản (JIS) và kết hợp thêm công thức phức tạp sử dụng căn bậc 2
- Đối với cách tính chiều rộng lối đi xếp chồng góc phải xe nâng 4 bánh

* Khi chiều rộng của tải (W) bằng hoặc nhỏ hơn 2Y.
L = I + A + C = R + D + A + C
* Khi bề rộng của tải (W) lớn hơn 2Y.
L = R + (A + D) 2 + - Y + C
- Đối với cách tính chiều rộng lối đi xếp chồng góc phải của xe nâng Reach Truck

Công thức 1: L = (A - D) + R + C
Công thức 2: L = R + (A - D) 2 + + C
- Đối với cách tính chiều rộng lối đi xếp chồng góc phải của xe nâng ba bánh

Công thức 1: L = R + D + A + C
Công thức 2: L = R + (A + D) 2
Bạn nên đến đâu để tìm hiểu các vấn đề về xe nâng ?
TFV là doanh nghiệp chuyên phân phối các sản phẩm về xe nâng hàng mới và xe nâng hàng cũ với các sản phẩm chủ chốt như xe nâng Toyota, Komatsu, Ắc quy lithium, xe nâng tay,....Mua xe nâng hàng tại TFV luôn đi kèm với dịch vụ bảo trì và bảo dưỡng dài hạn.
Đến với TFV để nhận được bộ tài liệu miễn phí " vận hành xe nâng an toàn " cho doanh nghiệp của bạn.



