GIÁ CHƯA BAO GỒM THUẾ VAT 10% VÀ CHI PHÍ VẬN CHUYỂN
- Bộ chia điện
- Sử dụng cho động cơ xe nâng
- Dùng chủ yếu cho động cơ Toyota 1DZII, 2Z, 3Z. 1DZ-II, TCM Isuzu C240, Kubota V2403, GCT K21, KOMATSU 4D94LE v.v...
- Phân phối tại thị trường Việt Nam

Hình ảnh: Bộ chia điện động cơ Toyota
Bộ chia điện là phụ tùng xe nâng quan trọng sử dụng trong động cơ xe nâng Toyota 1DZII, 2Z, 3Z. 1DZ-II, TCM Isuzu C240, Kubota V2403, GCT K21, KOMATSU 4D94LE v.v... xin quý khách vui lòng thông báo model xe và model động cơ chúng tôi có thể cung cấp tất cả các loại phụ tùng của tất cả các hãng xe nâng trên thị trường
Dưới đây là một số loại bộ chia điện động cơ xe nâng:
Model, Serial: 5P, 5R
Part Number: 19100-78103-71, 19100-78051-71
Model, Serial: A15
Part Number: 22100-24B01
Model, Serial: 4P
Part Number: 19100-76001-71, 19100-78000-71
Model, Serial: 1FZ
Part Number: 19100-76027-71
Model, Serial: 5K
Part Number: 19030-78122-71, 19030-78121-71, 19030-78120-71
Model, Serial: TB42
Part Number: N-22100-52H20
Model, Serial: K25
Part Number: N-22100-FU510
Model, Serial: H20
Part Number: N-22100-00H11
Model, Serial: 4G63, 4G64
Part Number: MD169418
Model, Serial: 4Y
Part Number: 19030-78154-71
Model, Serial: K21
Part Number: N-22100-FU410
Model, Serial: H15, H20-II
Part Number: N-22100-50K15, N-22100-60K15, N-22100-FU310
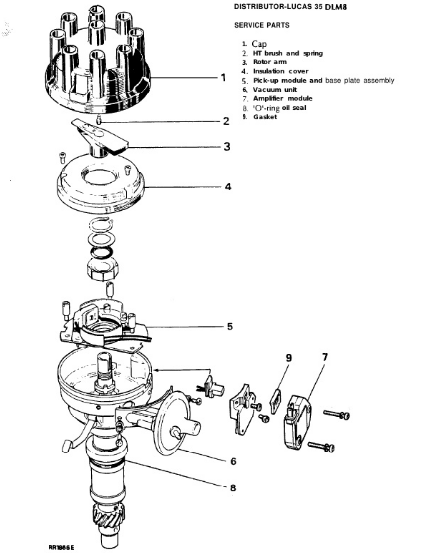
Dưới đây là hình ảnh mô tả cấu tạo của bộ chia điện điển hình:


Chúng tôi đào tạo kiến thức bán hàng, kiến thức kỹ thuật, cung cấp giá cả tất cả các sản phẩm TFV đang cung cấp, chính sách bán hàng, chính sách bảo hành, chính sách đại lý và cộng tác viên cho những người phù hợp, hãy tham gia GROUP Facebook của chúng tôi ngay.

Cho thuê tài chính là hình thức tín dụng trung và dài hạn trên cơ sở tài sản thuê là các động sản. Công ty Cho Thuê Tài Chính (bên cho thuê) là chủ sở hữu của tài sản thuê. Khách hàng (Bên thuê) thanh toán tiền thuê hàng tháng bao gồm vốn gốc và lãi vay trong thời hạn thuê; sau thời hạn thuê quyền sở hữu tài sản thuê sẽ được chuyển giao cho bên thuê.

Chúng tôi cung cấp miễn phí (cho khách hàng của TFV) và có phí các loại Tài liệu sửa chữa, tài liệu bảo dưỡng, tài liệu vận hành và kinh nghiệm xử lý sự cố, kiến thức tư vấn chuyên sâu từ các hãng xe nâng, ăc hàng đầu thế giới

TFV gắn liền việc kinh doanh và tồn tại của mình như một thành viên có ý thức trách nhiệm với xã hội. Chúng tôi luôn đảm bảo chất lượng sản phẩm, chất lượng dịch vụ, đào tạo con người và đóng góp cho xã hội những việc hữu ích cần thiết.