Cấu tạo cơ bản của một chiếc xe nâng như thế nào?
Tìm hiểu cấu tạo của một chiếc xe nâng động cơ đốt trong
Sự ra đời và phát triển của những chiếc xe nâng hàng giúp cho việc nâng đỡ và bốc dỡ hàng hóa trở nên dễ dàng và nhanh chóng hơn. Những kiện hàng nặng hàng chục tấn được nâng hạ và sắp xếp chỉ trong ít phút. Đây là điều mà con người không thể nào làm được.
Vậy một chiếc xe nâng có cấu tạo như thế nào để chúng có thể làm việc hiệu quả như vậy. Chúng tôi sẽ giới thiệu với bạn cấu tạo cơ bản của một chiếc xe nâng động cơ đốt trong. Hi vọng rằng bài viết sẽ cung cấp cho các bạn một số thông tin hữu ích.
Càng xe nâng
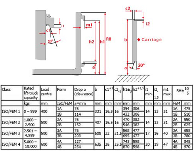
Càng xe nâng là bộ phận trực tiếp nâng và chịu tải của hàng hóa. Càng nâng bao gồm hai phần chính: phần nĩa dài (để đỡ hàng) và phần gắn vào giá nâng. Chiều dài cũng dĩa phụ thuộc vào từng loại xe. Nhưng chúng vẫn tuân theo các quy chuẩn chung. Điều này giúp chúng phù hợp với các kiện hàng đóng theo tiêu chuẩn quốc tế.

Cấu tạo bộ phận càng nâng của xe
Giá nâng hàng
Giá nâng là bộ phận di chuyển dọc theo khung nâng của xe nhờ vào hệ thống xilanh nâng và xích tời. Nó cũng được gắn với phần càng nâng mà chúng tôi vừa giới thiệu ở trên. Độ dày và kích thước của càng nâng phụ thuộc vào trọng tải của xe.

Giá nâng của xe nâng hàng
Kết cấu của càng nâng bao gồm: hệ thống khung thép và vòng bi. Khung thép thường được chế tạo bằng loại thép cứng, có độ dày và chịu được trọng lượng hàng hóa lớn. Vòng bi được gia công chính xác tuyệt đối. Điều này đảm bảo giá nâng và càng nâng đều không bị sai lệch khi nâng hạ tải.
Hệ thống khung nâng
Khung nâng là bộ phận quan trọng để đẩy hàng hóa lên xuống. Càng nâng và giá nâng sẽ di chuyển trên đường ray. Khung nâng được làm từ những loại thép cứng bao gồm 2 hoặc 3 tầng khung lồng vào nhau. Chúng được kết nối bằng hệ thống vòng bi nằm trên ray.

Hệ thống khung nâng
Khung nâng của xe nâng hàng phải được làm từ hệ thống siêu cứng. Kết cấu của nó cũng rất chắc chắn. Có như vậy xe mới có thể nâng tải. Khung nâng có thể nghiêng một góc từ 9 đến 12 độ so với phương thẳng đúng.
Hệ thống Xilanh
Xilanh nâng
Tác dụng của xilanh nâng là tạo ra lực nâng nhờ hệ thống truyền lực qua bộ phận xích kéo giá nâng hàng lên. Để hoàn thành tốt nhiệm vụ này xilanh nâng phải được thiết kế vững chắc với các loại vật liệu có độ cứng cao. Có như vậy xe mới đủ áp suất để thắng được trọng lượng của hàng hoá.

Xilanh nghiêng trên xe nâng:
Sở dĩ khung nâng có thể nghiêng một góc từ 6 đến 12 độ là nhờ xilanh nâng này. Khung nâng nghiên giúp xe dễ dàng lấy và dỡ các kiên hàng.
Hệ thống di chuyển
Hệ thống di chuyển phía trước:
Hệ thống di chuyển phía trước của xe nâng hàng bao gồm: lốp xe, phanh hãm và hệ thống truyền động. Đây là một trong những phần quan trọng trong cấu tạo xe nâng hàng. Vì xe phải di chuyển liên tục và chịu tải nặng.
Hệ thống di chuyển phía sau:
Hệ thống di chuyển phía sau bao gồm: lốp sau và xi lanh lái. Hệ thống này được điều khiển bằng vô lăng thông qua hệ thống thủy lực từ van chia hoặc trực tiếp từ bơm thủy lực xe nâng .
Thùng chứa nguyên liệu xe nâng
Nhưng thùng chứa nguyên liệu của xe nâng chạy dầu và chạy xăng có cấu tạo đơn giản. Nó được nhà sản xuất tính toán và thiết kế đủ cho xe hoạt động 24/24 giờ . Mỗi thùng chứa nguyên liệu có thể thích từ từ 60 lít - 200 lít.
Riêng loại xe nâng động cơ ga thì có bình chứa nhiên liệu được thiết kế đặc chủng riêng. Những bình Gas này thường được chiết xuất từ các trạm xăng theo một quy trình nghiêm ngặt. Đây là điều rất quan trọng đảm bảo an toàn xe nâng vận hành.
 
					
						 
			 
				



