Các loại xe nâng điện đứng lái - Tư vấn từ chuyên gia xe nâng
Các loại xe nâng điện đứng lái - Tư vấn từ chuyên gia xe nâng
Xe nâng điện đứng lái hay xe reach truck là loại xe nâng điện cực kỳ phổ biến trong các nhà xưởng lối đi hẹp. Xét về mặt sức nâng và diện tích sử dụng, khả năng tiêu hao nhiên liệu cũng như chi phí bỏ ra, xe nâng điện đứng lái cũ trở thành loại xe tối ưu bậc nhất nếu như bạn chỉ sử dụng trong nhà kho không hoạt động bên ngoài.
1. Cấu tạo và ứng dụng của xe nâng điện đứng lái
Xe nâng điện đứng lái được thiết kế cho nhà xưởng lối đi hẹp. Khi mà chi phí thuê kho bãi ngày một đắt đỏ, việc tiết kiệm không gian kho trở lên bức thiết. Khi sử dụng xe nâng điện đứng lái, độ rộng hành lang di chuyển chỉ cần từ 1,5-2,3 m tùy loại xe là stacker hay reach truck. Với hành lang di chuyển hẹp lại, tức chủ kho có thể tăng thêm trung bình mỗi hành lang một giá hàng. Qua đó, tiết kiệm rất nhiều chi phí.

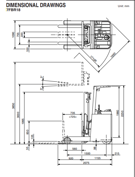
Bản vẽ kích thước và cấu tạo xe nâng điện đứng lái Toyota 7FBR18 - Một trong những chiếc xe reach truck phổ biến nhất trên thị trường
1.1. Thông số kỹ thuật cơ bản của một số chiếc xe nâng điện đứng lái của Nhật Bản

Thông số kỹ thuật khung xe
Thông số kỹ thuật xe nâng điện đứng lái gồm nhiều loại khung nâng khác nhau

1.2. Công thức tính lối đi cho xe nâng Reach truck
Lối đi = L= R+A-D+C
R= bán kính quay xe
A= Chiều dài khối hàng
D= Khoảng vươn ra thu lại của xe
C= Khoảng cách an toàn (20cm)

Công thức tính lối đi cho xe nâng reach truck

Hình 2. Cấu tạo cơ bản phần thân xe reach truck kiểu châu Âu
Như hình trên các bạn có thể thấy xe nâng điện đứng lái gồm các bộ phận sau
1.3. Khung nâng (mast) có thể vươn ra, thu lại (Reach out - in)
Điều này giúp cho xe nâng điện đứng lái có thể lấy hàng sau đó đưa khung nâng sát với phần thân xe, giúp giảm lối đi tương ứng với phần có thể vươn ra - thu lại, như trong hình bản vẽ chiếc Toyota 7FBR18 có thể vươn ra, thu lại tới 735mm - một khoảng cách đáng kể.
1.4. Kiểu lái của xe nâng điện
Kiểu Reach truck đứng lái
Kiểu xe nâng reach truck đứng lái rất phổ biến ở Nhật Bản, và kiểu reach truck ngồi lái rất phổ biến ở châu Âu, châu Mỹ và Trung Quốc.
Reach truck đứng lái có chiều cao nâng tối đa thông thường không quá 6m, chiều cao nâng phổ biến là 3 - 4m, đây là dòng xe nâng điện nhỏ gọn, giá rẻ, các thương hiệu Nhật Bản đều có loại này như Toyota, Komatsu, Nichiyu, TCM, Unicarrier, Sumitomo.

Xe nâng điện đứng lái Toyota
Kiểu Reach truck ngồi lái
Reach truck ngồi lái có chiều cao nâng tối đa thông thường không quá 13m, chiều cao nâng phổ biến là 8-10m, đây là dòng xe nâng điện reach truck dùng cho nhà kho có chiều cao lớn, các kho logistics, kho vải, kho thành phẩm nhẹ, các thương hiệu châu Âu, châu Mỹ, Trung Quốc đều có loại này như BT, Linde, Still, Jungheinrich, Raymond, Hyster, Yale...

Xe nâng reach truck ngồi lái cũ hiệu BT - Toyota
1.5. Bánh xe của xe nâng điện Reach truck đứng lái
Bánh xe nâng Polyurethane (PU) là một sản phẩm độc đáo cung cấp độ đàn hồi của bánh xe cao su kết hợp với độ dẻo dai và bền bỉ của bánh xe kim loại. Điều này làm cho polyurethane trở thành loại lốp hoàn hảo cho bánh xe vận chuyển, bánh xe kéo và con lăn dẫn hướng.
Tuy cấu tạo rất bền bỉ và chịu mài mòn, nhưng bánh PU cho xe reach truck KHÔNG phù hợp cho các địa hình làm việc có nhiều gờ sắt (thanh ray cửa) hay mặt nhám cao (mặt đường nhựa) mà chỉ phù hợp với nền bê tông đánh nhắn, nền sơn Epoxi chất lượng cao.

Bánh xe PU cho xe nâng điện đứng lái
1.6. Bình điện cho xe nâng Reach truck đứng lái và ngồi lái
Xe nâng điện reach truck đứng lái dạng FBR (tùy hãng) trong đó F nghĩa là Forklift, B là Battery, R nghĩa là Reach truck, tùy từng hãng sẽ có ký hiệu về generation khác nhau, ví dụ như Toyota sẽ có cấu trúc dạng 6FBR15, 7FBR15, 8FBR15..., trong đó 6, 7, 8 là đời xe (generation) còn 15 nghĩa là tải trọng của xe (1.5 tấn tại tâm tải 500mm) hay như Komatsu sẽ là FBR13-11, FBR15-12 với ý nghĩa của số cuối cùng trước dấu trừ (-) nghĩa là đời xe 11 hoặc 12, và tải trọng xe vẫn là 1.3 tấn hay 1.5 tấn tại tâm tải 500mm.
Với các dòng FBR Series của Nhật Bản sản xuất, dung lượng bình ắc quy thường khá nhỏ, nhỏ nhất cho dòng FBR10 rơi vào khoảng 48V201Ah (cá biệt Nichiyu đôi khi dùng điện 24V)

Ắc quy Hitachi Liftop 48V280Ah dùng cho xe nâng điện đứng lái
Các dòng FBR13-18 dung lượng ắc quy rơi vào khoảng 48V210Ah-320Ah, phổ biến nhất là dung lượng 48V280Ah với loại bình này các bạn nên dùng loại sạc xe nâng 48V40A~ 50A là tối đa.
Theo công thức lấy dung lượng ắc quy chia cho 8, các bạn ra số dòng sạc cần thiết để sạc (vì thời gian sạc từ 8-10 giờ liên tục).
Với các loại xe nâng reach truck châu Âu, dung lượng ắc quy thông thường từ trên 500Ah trở lên, phổ biến nhất là 48V620Ah, 48V775Ah, 48V930Ah
Do yêu cầu về chiều cao nâng rất cao >8m, thời gian sử dụng liên tục dài lên tới full ngày hoặc 2 ngày mỗi lần sạc, các dòng xe châu Âu thường sử dụng các loại bình có dung lượng tương đối lớn hơn, do vậy dung lượng bình ắc quy của xe nâng reach truck châu Âu lớn hơn nhiều.

Quan sát trực quan các bạn có thể thấy xe nâng reach truck châu Âu rất chắc chắn và dùng bình điện rất lớn.
Với loại bình điện này, các bạn cần sử dụng loại sạc từ 48V100A tới 48V140A để đảm bảo tốc độ sạc và thời gian sạc đầy đủ.

Sạc ắc quy xe nâng SE - ITALY 48V140Ah
1.7. Cần mua bộ đổi nguồn khi mua xe nâng điện cũ nhập Nhật
Điện áp công nghiệp của Nhật Bản phổ biến là 3 Pha 200V nên khi sử dụng cho điện công nghiệp của Việt Nam là 3 Pha 380V các bạn cần phải mua thêm 1 bộ đổi nguồn để đổi điện từ điện Việt Nam thành điện Nhật Bản như trên thiết bị đang dùng.
Lưu ý: Nên mua bộ đổi nguồn chất lượng tốt và có xuất xứ rõ ràng để tránh tường hợp gây cháy nổ trong quá trình sử dụng

Bộ đổi điện 3 pha về 200V Robot
Nếu nhà bạn không có điện 3 pha thì sao?
Xe nâng là thiết bị dùng trong nhà xưởng công nghiệp, tuy nhiên một số đơn vị không có loại điện phù hợp để sử dụng, mà chi phí để lắp điện 3 pha cũng không hề rẻ. Đừng lo, chúng tôi sẽ có giải pháp phù hợp nếu nhà bạn không có điện 3 pha, hãy liên hệ với chuyên gia của TFV để được tư vấn hỗ trợ, chắc chắn rồi, hoàn toàn MIỄN PHÍ.
2. Ưu điểm và nhược điểm của xe nâng điện đứng lái
Ưu điểm của xe nâng điện đứng lái
- Xe nâng điện đứng lái có thiết kế nhỏ gọn nên dễ dàng di chuyển và quay đầu dù là làm việc trọng một nơi có địa hình và không gian rất là nhỏ hẹp. Xe phù hợp sử dụng trong các kho, nhà xưởng, tại các khu vực có nhiều giá, kệ và có độ cao trên 6m.
- Xe chạy bằng năng lượng điện nên không phát sinh khí thải bảo vệ môi trường. Xe nâng điện đứng lái vận hành êm ái ít gây tiếng ồn, dễ dàng sử dụng.
- Xe nâng đứng lái có kết cấu đơn giản nên dễ dàng sửa chữa, các linh kiện phụ tùng xe nâng đi kèm dễ kiếm và dễ thay thế hơn các dòng xe nâng khác. Do vậy chi phí bảo dưỡng, bảo trì cũng được hạ xuống.
- Xe có tuổi thọ lâu hơn các xe sử dụng động có đốt như dầu hay gas nên ít khi bị hỏng trong quá trình vận hành và sử dụng.
Hạn chế của xe nâng điện đứng lái
Trên cơ sở như vậy xe nâng đứng lái cũng có những hạn chế nhất định. Những hạn chế đó là gì?
- Do xe sử dụng bình tích điện ắc quy nên thời gian sử dụng bị giới hạn. Trung bình mỗi xe sạc đầy bình và hoạt động liên tục sẽ duy trì trong từ 5 – 8h. Sau đó bạn phải nạp bình. Nếu muốn sử dụng tiếp thì chuẩn bị các bình điện dự phòng.
- Xe nâng điện đứng lái phù hợp chạy trên địa hình bằng phẳng tránh di chuyển trên đường gồ ghề, sỏi đá sẽ làm hỏng bánh xe nâng.
- Xe nâng đứng phù hợp chạy trên một quãng đường ngắn. Nếu không sẽ ảnh hưởng đến bánh xe mà nhanh hao bình.
- Cần quan tâm chú ý đến tuổi thọ của bình điện vì tuổi thọ của bình được tính bằng số lần sạc cho xe.
3. Điều gì giúp bạn tối ưu được chi phí mua xe nâng
Khi mà chi phí thuê kho bãi ngày một đắt đỏ, việc tiết kiệm không gian kho trở lên cần thiết. Khi sử dụng xe nâng điện đứng lái, độ rộng hành lang di chuyển chỉ cần từ 2.3 tới 3.0 m tùy tải trọng của xe (từ 9 tạ tới 3 tấn), xe reach truck giúp cho khách hàng có thể giải bài toán một cách tối ưu.
Tuy nhiên, chi phí đầu tư một chiếc xe nâng reach truck đứng lái hay ngồi lái mới 100% thực sự không hề rẻ với nhiều đơn vị, ví dụ giá một chiếc xe tiêu chuẩn 8FBR15 V4000 của Toyota hoặc FBR15-12 FV4000 của Komatsu mới 100% rơi vào khoảng 550-600tr VNĐ chưa gồm VAT, đồng thời phải chờ hàng từ 3-5 tháng hay một chiếc BT RRE160 khung Duplex 8000 giá cũng phải tầm 800tr và chờ hàng 5-7 tháng, thì với chi phí chỉ bằn 1/3 khi các bạn đầu tư một chiếc xe nâng cũ kèm theo một chiếc bình điện mới, bánh xe mới và nâng cấp toàn bộ những thiết bị tiêu hao cần thiết.
3.1. Lời khuyên dành cho bạn khi mua xe nâng điện cũ
- Hãy mua kèm ắc quy mới
- Hãy thay thế các thiết bị tiêu hao
- Hãy chăm sóc xe nâng vì nó đang phục vụ bạn
- Hãy làm việc với các đơn vị chuyên nghiệp
- Hãy quan tâm tới tình trạng sau bán hàng
- Bạn thử nghiệm ắc quy Lithium chưa? Bạn có thể hoàn toàn tự do khi dùng xe nâng
Chúc các bạn mua được chiếc xe nâng tốt

Giá xe nâng điện đứng lái cũ hiệu Toyota, Komatsu giá rẻ chỉ từ 100tr
Các sản phẩm xe nâng điện đứng lái, ngồi lái được TFV nhập khẩu trực tiếp từ Nhật Bản và Châu Âu. Cam kết tới tay khách hàng những sản phẩm chất lượng với mức giá ưu đãi nhất.
Xe nâng điện reach truck đứng lái đa dạng về thương hiệu cũng như tải trọng, khung nâng,...
Các sản phẩm xe nâng cũ được khách hàng quan tâm phải kể đến: Xe nâng điện đứng lái 1.5 tấn Toyota, xe nâng điện đứng lái 2.0 tấn Toyota, xe nâng điện reach truck 1.5 tấn Komatsu,...
3.2. Xe nâng điện đứng lái tại TFV có ưu điểm gì ?
- Kích thước nhỏ gọn, bán kính quay nhỏ nên hành lang di chuyển sẽ nhỏ hơn. Thích hợp chạy trong nhà xưởng, khu vực giá kệ.
- Xe nâng điện ngồi lái chạy bằng điện nên chi phí nhiên liệu tiết kiệm hơn so với xe dầu.
- Kết hợp cùng pin lithium cho khả năng hoạt động 3 ca liên tục.
- Không phát thải. Tiếng ồn rất nhỏ.
- Việc bảo dưỡng định kỳ đơn giản hơn so với xe dầu (kiểm tra nước cất ắc quy, cách sạc, hệ thống thủy lực).
BÁO CHÍ NÓI VỀ XE NÂNG TFV
Kênh truyền hình VTC6 đưa tin về Công ty xe nâng TFV
3.3. Xe nâng TFV mang lại cho bạn những gì ?
Giá trị bản chất của xe nâng và giải pháp nâng hạ chứ không đơn thuần việc mua một cái máy - Bạn cần 1 giải pháp nâng hạ phù hợp nhất với nhu cầu của mình.
Biết cách lựa chọn loại xe nâng phù hợp nhất với nhu cầu của nhà xưởng, kho bãi, lối đi và thời gian hoạt động...
Hiểu biết đủ về xe nâng để phối hợp với các bộ phận khác xây dựng và thiết kế cho khu vực, con người sử dụng xe, ắc quy, sạc, vận hành, giá kệ, pallet sao cho phù hợp nhất.
Hiểu rõ cách quản lý và vận hành xe nâng như thế nào?
Tự tay đưa ra lịch trình và giao phó cho các nhân sự phụ trách trực tiếp.
Bạn hoàn toàn việc có thể quản lý thiết bị như một chuyên gia nhà kho ngay trong thời gian ngắn.
Xe nâng của bạn luôn được "An toàn" vì có đội ngũ chuyên gia sẽ đồng hành cùng doanh nghiệp trên toàn quốc.
Bạn được cập nhật và nâng cấp liên tục lên bình Lithium khi thuê xe nâng điện của TFV.
Cung cấp các giải pháp thiết bị tiêu hao giá rẻ về phụ tùng xe nâng như nước cất, xe nâng tay, lốp, ắc quy...
Liên tục cải tiến và làm việc với các tập đoàn xe nâng hàng đầu thế giới như Toyota, Kion Group... để cung cấp sản phẩm chất lượng cao nhất đến khách hàng.
Chăm sóc khách hàng 4.0 bằng hệ thống phần mềm ERP, CRM Online.
4. Địa chỉ cung cấp xe nâng điện đứng lái cũ uy tín hàng đầu
- TFV là một công ty với hơn 10 năm kinh nghiệm trọng ngành thiết bị nâng hạ, từng đạt nhiều giải thưởng lớn nhỏ trên toàn quốc.

TFV đạt danh hiệu về TOP 10 thương hiệu vàng chất lượng quốc tế 2022

TFV có đội ngũ nhân viên chuyên nghiệp
- TFV còn là đối tác trực tiếp của dòng sản phẩm ắc quy, pin lithium cho xe nâng, xe điện từ thương hiệu EIKTO - Thương hiệu chuyên về sản xuất pin lithium hàng đầu thế giới.

TFV là đối tác chiến lược của nhà sản xuất pin lithium EKT
Nếu bạn có nhu cầu hoặc thắc mắc về các sản phẩm xe nâng điện đứng lái hãy liên hệ ngay đến TFV để được đội ngũ nhân viên của chúng tôi hỗ trợ!
Câu hỏi thường gặp về xe nâng điện đứng lái?
1. Xe nâng điện đứng lái có tuổi thọ kéo dài bao lâu?
Tuổi thọ của xe nâng điện đứng lái tương đối bền, nhất là với những dòng xe nâng Nhật Bãi, có thể sử dụng đến từ 10 - 20 năm vẫn đáp ứng được nhu cầu hoạt động.
2. Xe nâng điện đứng lái cũ của hãng nào tốt hiện nay?
Xe nâng điện đứng lái cũ hiện nay đang rất phổ biến, hầu hết đều được nhập khẩu trực tiếp từ Nhật Bản. Một số thương hiệu được ưa chuộng như Toyota, Komatsu, TCM, BT,...
3. Nguồn điện nào dùng để sạc xe nâng điện đứng lái?
Để tốt nhất cho xe thì nguồn điện 3 pha là thích hợp nhất để sạc điện cho xe nâng. Nếu trong trường hợp không có nguồn 3 pha thì chúng ta dùng nguồn 1 phân vẫn được. Nhưng lên lưu ý khi sạc điện cho bình nên lựa chọn các bộ sạc phù hợp vs bình điện.
4. Có nên mua xe nâng điện đứng lái cũ hay không?
Như bạn đã biết về những lợi ích khi mua xe nâng điện cũ. Nhưng hãy nên mua và sử dụng xe nâng điện đứng lái cũ vì là xe nâng cũ nên chúng có đầy đủ nguồn gốc, chất lượng xe được đảm bảo bởi công ty phân phối, giá thành mua vào hợp lý, linh hoạt, phụ hợp cho các kho hàng trên cao, xe dễ dàng bảo trì sửa chữa.




