Tìm hiểu về van điều khiển thủy lực (dành cho 7FG/FD và 7FB Series)
Xe nâng hàng là thiết bị xe nâng được ưu tiên sử dụng để nâng hạ hàng hóa trong các doanh nghiệp, kho bãi, công xưởng. Xe nâng dầu và xe nâng điện đều dùng để nâng hạ hàng hóa, nhưng mỗi dòng xe lại có đặc điểm và cách sử dụng riêng. Do đó mỗi thiết bị, bộ phận cấu tạo nên chiếc xe nâng đều là những bộ phận quan trọng. Nhất là van điều khiển thủy lực.
Hãy cùng TFV tìm hiểu về van điều khiển thủy lực nhé!
Van thủy lực là gì? Van điều khiển thủy lực dành cho 7FG/FD và 7FB Series.
Van thủy lực là một ưu điểm lực của thiết bị truyền động, giúp cho việc đồng nhất trong việc kiểm soát lực, mô men và chuyển động. Các loại van thuỷ lực thường thấy là các van điều khiển hướng, áp suất và lưu lượng của chất lỏng thủy lực, cho phép sử dụng hệ thống truyền động một cách trơn tru, an toàn và kiểm soát.

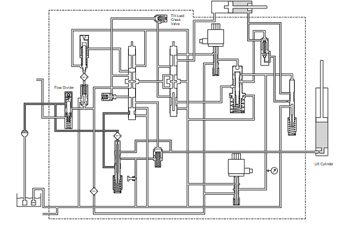
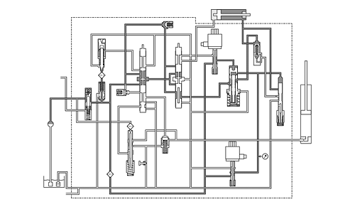
Bộ hệ thống thủy lực xe nâng hàng
Van điều khiển dầu được sử dụng trong sê-ri 7FG và 7FB về cơ bản giống như van điều khiển dầu thông thường ngoại trừ việc nó được bổ sung thêm cơ chế điều khiển cột buồm SAS. Vì bơm dầu được dẫn động bởi động cơ trong dòng 7FD / G và động cơ trong dòng 7FB nên phương pháp điều khiển và cấu trúc van là khác nhau.
Hoạt động của 7FG/7FD10 đến 30 SERIES (không bao gồm kiểm soát chức năng chính chủ động)
A. Nâng và Nghiêng ở trung gian (tắt công tắc phím)
1) Nâng
Do bơm dầu không tạo ra áp suất nên không có dầu chảy trong van điều khiển, dẫn đến không chuyển động của thanh xi lanh nâng.
Áp suất dầu từ xi lanh thang máy đi qua van một chiều khóa thang máy và van công tắc thang máy, và được tác động lên phía lò xo của van một chiều khóa thang máy. Áp suất đẩy van một chiều khóa thang xuống và áp suất đẩy lên từ lò xo phía của van bằng nhau, van hoạt động theo chiều đóng do sự chênh lệch vùng nhận áp suất của van và lực lò xo. Ngay cả khi ống nâng được làm việc theo hướng hạ thấp trong trạng thái này, thanh xi lanh thang máy không được hạ xuống vì lý do này.
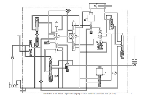
2) Độ nghiêng
Vì bơm dầu không tạo ra áp suất nên không có dầu chảy trong van điều khiển, dẫn đến không chuyển động của thanh xi lanh nghiêng.
Áp suất dầu từ khoang trước của xi lanh nghiêng đi qua van một chiều khóa nghiêng và van công tắc nghiêng, và được tác động lên phía lò xo của van một chiều khóa nghiêng. Áp suất đẩy van một chiều khóa nghiêng xuống và áp suất đẩy lên từ lò xo phía của van là bằng nhau, van hoạt động theo chiều đóng do sự chênh lệch vùng nhận áp suất và lực lò xo. Ngay cả khi ống trụ nghiêng được vận hành theo hướng nghiêng về phía trước trong trạng thái này, thì thanh trụ nghiêng không được vận hành theo hướng về phía trước vì lý do này.
Việc bổ sung các van mới giữa ống nâng, cổng C1 và ống nghiêng cổng C2 dẫn đến ít rò rỉ bên trong hơn để cải thiện độ rơi tự nhiên và đặc tính nghiêng về phía trước tự nhiên (khóa liên động nâng bằng chìa khóa điều khiển cột buồm). Khi công tắc chìa khóa được BẬT từ trạng thái này (động cơ dừng), điện từ 1 được BẬT nhưng các van khác không hoạt động do không có dòng dầu trong van điều khiển.
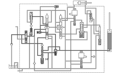
B. Nâng & nghiêng ở mức trung tính (7FD / G)
1) Nâng
Đường ngang trung tâm không được đóng để tạo ra bất kỳ áp suất dầu nào sau bộ chia dòng. Vì bộ chia dòng cung cấp dầu với tốc độ không đổi cho van PS, nên áp suất nhỏ trước bộ chia dòng sẽ tác động lên van công tắc thang máy. Do đường dầu sau khi qua van đóng tại ống nâng nên không có dòng dầu chảy ra và lực lò xo đẩy van công tắc thang máy lên. Như trong trường hợp ở trạng thái trung hòa với động cơ dừng, áp suất dầu từ xi lanh nâng không đẩy van một chiều khóa thang máy xuống, giữ thanh xi lanh nâng ở vị trí cũ.
2) Nghiêng
Mặc dù điện từ 1 được BẬT, không có áp suất dầu nào được áp dụng cho đầu van công tắc nghiêng vì tâm chuyển tiếp không được đóng, giữ van ở vị trí. Như trong trường hợp ở trạng thái trung hòa với động cơ dừng, áp suất dầu từ khoang trước của xi lanh nghiêng không đẩy van một chiều khóa nghiêng xuống, làm cho thanh truyền của xi lanh nghiêng không hoạt động theo hướng nghiêng về phía trước.

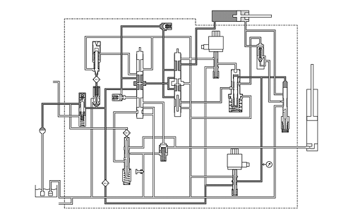
C. LOWERING (động cơ chạy)
Khi ống nâng được làm việc theo chiều hạ thấp, từ vị trí trung tính có động cơ đang chạy. Dầu trong van công tắc thang máy (sau khi đi qua lỗ trong van) trở về bình thông qua ống nâng để loại bỏ áp suất trong van công tắc nâng, làm cho van đi xuống do tác dụng của lỗ.
Do đó, đường dầu từ xi lanh nâng qua van một chiều khóa nâng được đóng lại và dầu từ phía lò xo của van quay trở lại thùng chứa qua ống nâng. Áp suất dầu ở phía lò xo của van kiểm tra khóa nâng biến mất. Kết quả là dầu từ xi lanh nâng đẩy van một chiều khóa nâng xuống và quay trở lại bồn chứa, làm cho thanh xi lanh nâng bị hạ xuống.

D. Nâng cấp (động cơ chạy)
Khi ống nâng được vận hành theo hướng nâng từ trạng thái trung tính với động cơ đang chạy, trục chính giữa được ống nâng đóng lại để nâng cao áp suất dầu ngược dòng. Áp suất dầu tăng sẽ đẩy van một chiều tải của thang máy mở và tác động lên đầu van một chiều khóa thang máy sau ống nâng. Do áp suất dầu tác động lên đầu van một chiều khóa nâng vượt quá áp suất dưới xi lanh nâng do bơm dầu tiếp liệu liên tục, van một chiều khóa nâng được đẩy xuống để nâng thanh xi lanh nâng lên.

E. Lắp ráp FORWARD (động cơ chạy)
Khi ống xoay nghiêng được vận hành theo hướng thuận, điện từ 1 được TẮT. Vì đường ngang trung tâm bị đóng bởi ống xoay nghiêng, áp suất dầu ngược dòng tăng lên. Áp suất dầu tăng đẩy van một chiều tải nghiêng mở và đi vào khoang phía sau của xi lanh nghiêng. Đồng thời, dầu đi vào đoạn (a) của van khóa nghiêng trong ống xoay nghiêng. Pít tông van khóa nghiêng được đẩy xuống để mở các đoạn (b) và (c).
Áp suất dầu tăng lên từ trung tâm được dẫn đến điện từ 1 để tác động lên đầu van công tắc nghiêng và pít tông trong van điều khiển lưu lượng để đẩy chúng xuống. Van công tắc nghiêng được hạ xuống đóng đường dẫn dầu từ khoang trước của xi lanh nghiêng và mở mạch giữa phía lò xo của van một chiều khóa nghiêng và thùng chứa, dẫn đến loại bỏ áp suất dầu trên phía lò xo của van một chiều khóa nghiêng .
Dầu từ khoang trước của xi lanh nghiêng đẩy van một chiều khóa nghiêng xuống và đi vào van điều khiển lưu lượng. Ống đệm trong van điều khiển lưu lượng đi xuống và dầu từ khoang phía trước của xi lanh nghiêng quay trở lại thùng thông qua đường dẫn dầu (b) đến (c) của van khóa nghiêng.
Tốc độ dòng chảy bị hạn chế bởi van điều khiển dòng chảy và van khóa nghiêng của ống xoay nghiêng. Do đó piston xylanh nghiêng được đẩy theo hướng tiến, nhưng tốc độ chậm hơn theo hướng nghiêng về phía sau do bị hạn chế bởi van điều chỉnh lưu lượng và van khóa nghiêng.

F. Vách ngăn (động cơ chạy)
Vì đường ngang trung tâm được đóng bởi ống xoay nghiêng, áp suất dầu phía thượng lưu tăng lên. Áp suất dầu tăng được áp dụng cho các van điện từ 1 và 2. Áp suất sau điện từ 1 tác động lên đầu van công tắc nghiêng và pít tông trong van điều khiển lưu lượng để đẩy chúng xuống. Áp suất sau khi điện từ 2 tác động lên đầu van điều chỉnh lưu lượng để đẩy pít tông bên ngoài (có pít tông bên trong) xuống, để mở hoàn toàn đường dẫn dầu từ ống đệm nghiêng đến van một chiều khóa nghiêng.
Mặt khác, áp suất dầu tăng lên tại cổng chuyển tiếp trung tâm đẩy van kiểm tra tải nghiêng mở. Do đó, áp suất dầu từ ống đệm nghiêng qua van điều khiển lưu lượng mở hoàn toàn tác động lên phía trên của van một chiều khóa nghiêng để đẩy van xuống và đi vào khoang phía trước của xi lanh nghiêng. Mặt khác, dầu bị cưỡng bức từ buồng sau của xi lanh quay trở lại bể chứa qua ống dẫn nghiêng, làm cho xi lanh nghiêng được làm việc theo hướng ngược lại.

Tìm hiểu rõ về cấu tạo và chức năng của bộ van điều khiển thủy lực giúp người vận hành xe có thể hiểu hơn về hoạt động và chức năng của xe. Hiểu được điều đó sẽ giúp cho người vận hành xe có thể xử lý được các tình huống xảy ra đột ngột trong quá trình vận hành xe
TFV là nhà phân phối xe nâng cũ và mới nhập khẩu chính hãng từ thị trường. Với cố vấn kỹ thuật giàu kinh nghiệm và đội ngũ kỹ thuật làm việc nhiều năm trong nghề, chúng tôi tự tin giải đáp hết thắc mắc của các bạn.
Hãy liên hệ ngay với chúng tôi ngay khi các bạn cần.



