Hệ thống cảm biến SAS và công tắc trên xe nâng
Tính năng an toàn trên xe nâng hàng luôn là yếu tố quan trọng hàng đầu được các doanh nghiệp sản xuất và sử dụng xe nâng chú ý tới. Để đảm bảo các yếu tố về sự an toàn trong khi sử dụng xe nâng hàng thì việc cài đặt hệ thống cảm biến SAS trên xe nâng là điều không thể thiếu.
TOYOTA là một trong những hãng xe nâng hàng luôn đi đầu trong việc cài đặt các thiết bị chế độ an toàn cho xe nâng. Hệ thống an toàn SAS trên xe nâng TOYOTA được đánh giá rất cao về chức năng cũng như độ nhạy bén của nó.
Hãy cùng TFV tìm hiểu về hệ thống cảm biến SAS và công tắc.
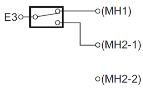
Công tắc chiều cao cột

Công tắc chiều cao: Xác nhận chiều cao cột (trên 2,2m)
Cột buồm cao hơn 2,2m khi có tải, tốc độ nghiêng về phía trước hoặc nghiêng về phía sau được giảm xuống.
Tùy thuộc vào loại cột, vị trí chuyển đổi có thể khác nhau.

Công tắc này có 2 đầu ra được điều khiển bởi SAS
MH1 chuyển thành 1 dưới 2,2m khi MH2 chuyển sang 0
MH1 chuyển về 0 dưới 2,2m khi MH2 chuyển thành 1

MH2-2 vẫn ở mức 0 trên xe tải châu Âu, đây là tín hiệu chỉ được sử dụng cho thị trường Nhật Bản, tại Nhật Bản, 2 cảm biến chiều cao cột buồm (2,2 m và 4 m) được sử dụng cho SAS.
Công tắc OCV

Công tắc nghiêng trước và sau: Xác nhận chuyển động phía trước cột buồm.
Nó có thể là công tắc hành trình, công tắc tiếp điểm ...

Công tắc nghiêng trước và sau:
- 2 công tắc đó chỉ xuất hiện trên đòn bẩy tiêu chuẩn van.
- Trên van đòn bẩy mini, chuyển động nghiêng được giám sát bởi điện áp đầu ra đòn bẩy nhỏ.

Cảm biến áp suất

Vị trí của nó có thể khác nhau tùy thuộc vào kiểu máy, loại cột buồm.

Cảm biến áp suất: xác nhận áp suất mạch thang máy
Cảm biến tải là điện trở thay đổi, điện áp ra thay đổi theo áp suất mạch thủy lực.

Cảm biến góc nghiêng

Cảm biến góc nghiêng: Xác nhận góc nghiêng cột buồm
Nó là một chiết áp, điện áp đầu ra khác nhau tùy theo độ nghiêng cột buồm góc.

Điện áp danh định của nó là ~ 2,5V khi cột thẳng đứng

Cảm biến tỷ lệ chệch hướng

Cảm biến tỷ lệ chệch hướng: Xác nhận độ nghiêng (gia tốc bên)
Nó có thể được đặt bên trong bộ điều khiển SAS (7FB) hoặc bên hông xe tải (8FG / D)

Cảm biến vận tốc góc này sử dụng nguyên tắc lực coriolis tạo ra nếu vận tốc góc tác dụng lên một vật thể dao động.
Đơn vị lăng kính rung tam giác được sử dụng làm đơn vị phần tử cảm biến, do đó cho phép gốm áp điện được sử dụng cho cả kích thích và phát hiện.


Cảm biến tốc độ
Cảm biến tốc độ: Xác nhận tốc độ xe tải
Trên xe tải IC, cảm biến tốc độ được đặt ở phía trên của trục trước. Trong trường hợp, nó cảm nhận răng bánh răng.
Trên xe tải điện, cảm biến tốc độ được đặt trên động cơ truyền động, nó có thể là một cảm biến ổ bi hoặc một cảm biến tiệm cận đếm một bánh răng.

Cảm biến SAS & công tắc
Cảm biến tốc độ: Cảm biến tốc độ vi sai máy IC
Cảm biến tốc độ cảm ứng nằm trên đỉnh của hộp vi sai, nó tạo ra một xung tín hiệu mỗi lần một bánh răng bánh răng trụ răng trước cảm biến.

Cảm biến tốc độ: Trên máy điện
Các cảm biến tốc độ cảm ứng được đặt trên vỏ động cơ.
2 cảm biến thường được sử dụng để xác nhận tốc độ và hướng quay.
Đối với chức năng SAS, chỉ cần RPM của động cơ.

Cảm biến tốc độ: Trên máy điện được sử dụng cảm biến cảm ứng Rpm.
Để xác nhận hướng quay của động cơ, bộ điều khiển kiểm tra lệch pha giữa cảm biến tốc độ 1 và 2.

Cảm biến tốc độ: Trên máy điện cảm biến vòng bi Rpm
Cảm biến Rpm tạo ra tín hiệu cắt.


Góc vô lăng

Cảm biến lái: Xác nhận hướng vô lăng và tốc độ quay
Nó là một cảm biến hồng ngoại cảm nhận các lỗ bánh răng.
Đầu ra của nó là tín hiệu kỹ thuật số

Cảm biến lái: Vị trí núm lái được xác định bằng một lỗ nằm trên bánh xe có lỗ cảm biến.

Chỉ có thể lắp vô lăng ở một vị trí. Một chốt đảm bảo rằng chỉ một vị trí có thể thực hiện được, nó được gọi là poka yoke trong tiếng Nhật.
Cảm biến lái: Vị trí núm lái được xác định bằng một lỗ nằm trên bánh xe có lỗ cảm biến.

Khi lỗ cảm biến đi qua phía trước đầu đọc cảm biến, bộ điều khiển SAS biết rằng núm lái đang ở đúng vị trí
Cảm biến lái: xác nhận hướng vô lăng và tốc độ quay
Nó là một cảm biến tia hồng ngoại cảm nhận các lỗ bánh răng.
Đầu ra của nó là tín hiệu kỹ thuật số

Việc bù rò rỉ không hoạt động trong các điều kiện dưới đây:
- Tốc độ cao đi du lịch
- Lái chậm

Cảm biến góc lốp

Cảm biến góc lốp: Xác nhận góc lốp sau
Nó là một chiết áp, điện áp đầu ra khác nhau tùy theo lốp xe góc.


Bộ truyền động SAS
Bộ điều khiển SAS nhận tín hiệu từ các cảm biến và công tắc, phân tích và xử lý thông tin.
Nếu người điều khiển đánh giá rằng xe tải đang ở trong tình trạng không an toàn, nó sẽ điều khiển một số thiết bị truyền động làm thay đổi hành vi của xe tải.
Các solenoit luôn được cung cấp bởi một tín hiệu mua sắm.
Xi lanh khóa xoay

Trục khóa xoay: khóa trục sau
Khi bộ điều khiển phát hiện ra rằng xe tải đang ở trong tình trạng không an toàn
Nó ngừng cung cấp điện từ, khi mạch dầu đóng lại, xi lanh khóa.
Việc khóa trục sau làm tăng khu vực ổn định, từ một hình tam giác hình dạng thành hình chữ nhật.

Trục khóa xoay: khóa trục sau
Nó là một xi lanh thủy lực mạch kín hoạt động bằng điện từ.
Dầu có thể đi từ khoang dưới lên khoang trên, cho phép xi lanh di chuyển tự do.

Xi lanh khóa xoay:
- Mạch dầu thường mở (điện từ BẬT), xi lanh không bị khóa.
- Khi mạch nguồn tắt, điện từ sẽ được cung cấp.
Bộ điện từ

Bộ điện từ đồng bộ hóa lái: tạo ra rò rỉ trong mạch lái
Rò rỉ được tạo ra bởi một điện từ.

OCV solenoids
Chất lỏng van điều khiển dầu: điều khiển chuyển động nghiêng


CÀI ĐẶT VÀ ĐIỀU CHỈNH
Hệ thống SAS quản lý một số tính năng và phải được thiết lập.
Trong thế giới TOYOTA, thiết lập này được gọi là khớp.
Vậy thì chúng ta sẽ cùng tìm hiểu vấn đề trong trường hợp nào thì SAS nên được khớp?
- Khi một cảm biến bị lỗi sẽ được đổi.
- Khi một tính năng SAS được bù đắp.
- Khi một tệp đính kèm được thêm vào xe nâng.
- Khi một bộ điều khiển được trao đổi
- Khi cột buồm được đổi chỗ
Việc đối sánh có thể được thực hiện theo 3 cách khác nhau:
- Bằng cách sử dụng Multidisplay
- Bằng cách sử dụng Plug-in analyzer (máy phân tích cầm tay)
- Bằng cách sử dụng đầu nối phù hợp và công tắc núm xoay nghiêng
Tất cả các xe nâng điện đều được cung cấp Multidisplay, nó là tùy chọn đối với xe nâng IC.

Phân tích tay có thể được so sánh với Đa màn hình “di động”

Các cảm biến SAS yêu cầu phù hợp là một số cảm biến điện trở thay đổi.
Bộ điều khiển SAS ghi lại một điện áp tương ứng với:
- Trọng lượng danh nghĩa cho cảm biến tải trọng
- Vị trí mức ngã ba cho cảm biến góc cột buồm
- Hướng thẳng của lốp sau cho cảm biến góc lốp
Các mặt hàng phù hợp
TILTL: đặt góc ngã ba khi người lái nhấn vào công tắc núm xoay
TILTF LOAD: đặt vị trí thẳng đứng của cột buồm và áp suất thủy lực không tải
TIRE: đặt giá trị chiết áp trục sau khi xe tải lái ở vị trí thẳng
Nên kiểm tra hệ thống SAS 3 tháng hoặc 500 giờ 1 lần.
Việc kiểm tra phải xác nhận trạng thái thích hợp của:
- Các chức năng SAS
- Lắp cảm biến
- Các hư hỏng, rò rỉ dầu ...
- Hệ thống dây điện hư hỏng
- Trạng thái của cảm biến tải
Hầu hết các thành phần của SAS được sản xuất tại Nhật Bản, một số các thành phần được gắn trên một số mô hình.
Một bộ phận từ xi lanh khóa xoay, không có thành phần SAS nào được phục vụ
Xi lanh khóa xoay
Dầu xi lanh khóa xoay có một bình chứa dầu dự trữ một lượng dầu.
Lượng dầu có thể được kiểm tra bằng cách kiểm soát vị trí của
pít tông.

Bạn nên thay xi lanh khóa xoay sau 10000 giờ.
Van điều khiển dầu
OCV có lẽ là thành phần SAS nhạy cảm nhất.
Nó có thể bị ảnh hưởng bởi các hạt nhỏ có trong mạch thủy lực (dung sai giữa ống đệm và thân van nằm trong khoảng 0,01 mm)

Ở giai đoạn này, kỹ thuật có thể tập trung vào tầm quan trọng của một mạch thủy lực được bảo dưỡng và làm sạch
=> Không có bộ lọc giữa bể và van
Bạn có thể tìm hiểu về hệ thống cảm biến an toàn cho xe nâng ở đâu?
TFV là nhà cung cấp và phân phối xe nâng hàng hãng TOYOTA chính hãng, chất lượng và giá tốt nhất trên thị trường. Để tìm hiểu rõ hơn về xe nâng TOYOTA cũng như các hệ thống chức năng của chúng, Hãy đến với TFV để được tư vấn một cách rõ ràng và chính xác nhất.
Chúng tôi tự tin rằng có thể đáp ứng được mọi yêu cầu về xe nâng hàng của các bạn.



